产品
  • 产品
Search
Product Detail

SQB-M

Collect
  • Product Description

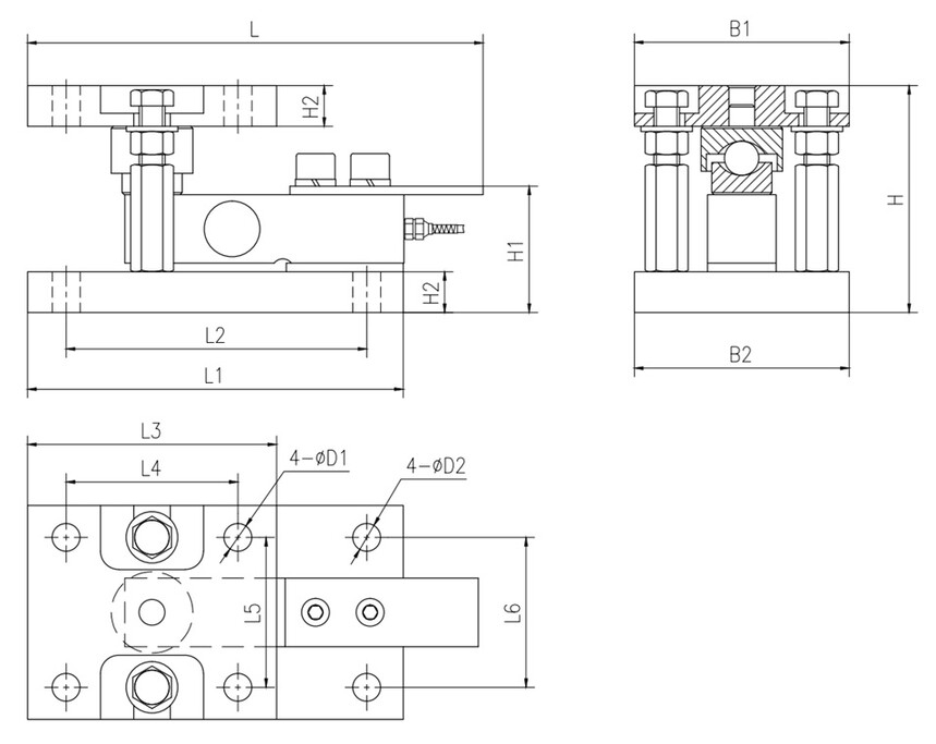
Dimension:

1737389979158793.jpg


Rated Load

      (t)


  Size(mm)  

H

H1

H2

B1

B2

D1

D2

L

L1

L2

L3

L4

L5

L6

0.25-2

106

58

18

100

100

13

13

210

175

140

116

80

70

70

3-5

135

73

23

150

150

17

17

270

235

200

150

100

90

90

7.5-10

186.3

93.3

38(UP)

28.5(DOWN)

180

180

26

26

345

310

250

210.4

150.4

110

110


SQB-S.jpg

Ningbo Yaheng Electronic Technology Co.,Ltd


CopyRight 2013 All Right Reserved Ningbo Yaheng Electronic Technology Co.,Ltd ICP:浙ICP备11064270号


  • Telephone

Technical Support: CLOUD | Admin Login
×
seo seo